Distribuitor hidraulic pentru despicator

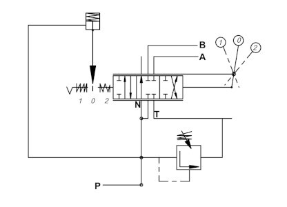
Distribuitor hidraulic monobloc pentru actionatrea despicatoarelor de lemn de foc dotat cu functie de revenire automata in pozitie netura cu supapa reglabila in domeniul 70 - 140 bar.
  SC CAMSA TECHNICS SRL
Membru Afacerist.ro de 8 ani
  Producator Importator Furnizor pentru Distribuitor hidraulic pentru despicator
  Furnizor En-gros   Vanzare cu Amanuntul
  Livrare in toata tara
Cere oferta pret de la furnizor

Distribuitor hidraulic pentru despicator

Descriere

Distribuitor hidraulic monobloc pentru actionatrea despicatoarelor de lemn de foc dotat cu functie de revenire automata in pozitie netura cu supapa reglabila in domeniul 70 - 140 bar. Distribuitorul este de tip circuit deschis - in pozitie neutra (0) debitul pompei este descarcat in rezervor si este dotat cu supapa regulator de presiune pentru a limita presiunea in sistem la valoarea prestabilita.
Debit maxim: 80 l/min;
Presiune maxima: P = 250 bar; A,B = 300 bar; T = 10 bar;
Scurgeri interne: 20 cm3/min la 120 bar;
Tip fluid: ulei mineral;
Temperatura de functionare: -20 °C - +80 °C
Temperatura mediu ambiant: -40 °C - +60 °C

Va putem ajuta?

Contactati-ne

*Datele din acest formular le folosim doar ca sa puteti primi un raspuns la intrebarile sau la solicitarile transmise catre firma careia ii sunt adresate

Oferta SC CAMSA TECHNICS SRL

Produse si Servicii